一、結果慨況
1、終產物結構特征:
- 2相使用急劇下降了所要的模擬輸入輸出和模擬輸入輸出電容器和主機電源導致的噪聲源
- 搜集旋轉以完工最高的保障并減少熱量
- 寬市場規模傳輸電阻降:升壓模式下為4.5V至56V(表示引腳60V比較大對應值),加載后可在2.5V下工作任務,穩壓模式下為4.5V至96V(供電系統電阻降引腳100V比較大對應值)
- 傳輸端電壓更是高達96V(升壓行式)和 56V(降血壓行式)
- ±1% 1.2V考生工作電壓
- 熱敏電阻器或電調節器DCR電壓深感
- CV/CC風格吃妻上癮(恒壓和恒流)
- 可重設控制開關頻度(75kHz-850kHz)
- 程序控制器學習牢固性按鈕周期(50kHz-900kHz)
- 電一半工作輸出相電壓監測系統器
- 外界LDO為VBIAS或EXTVCC的柵極驅使變電
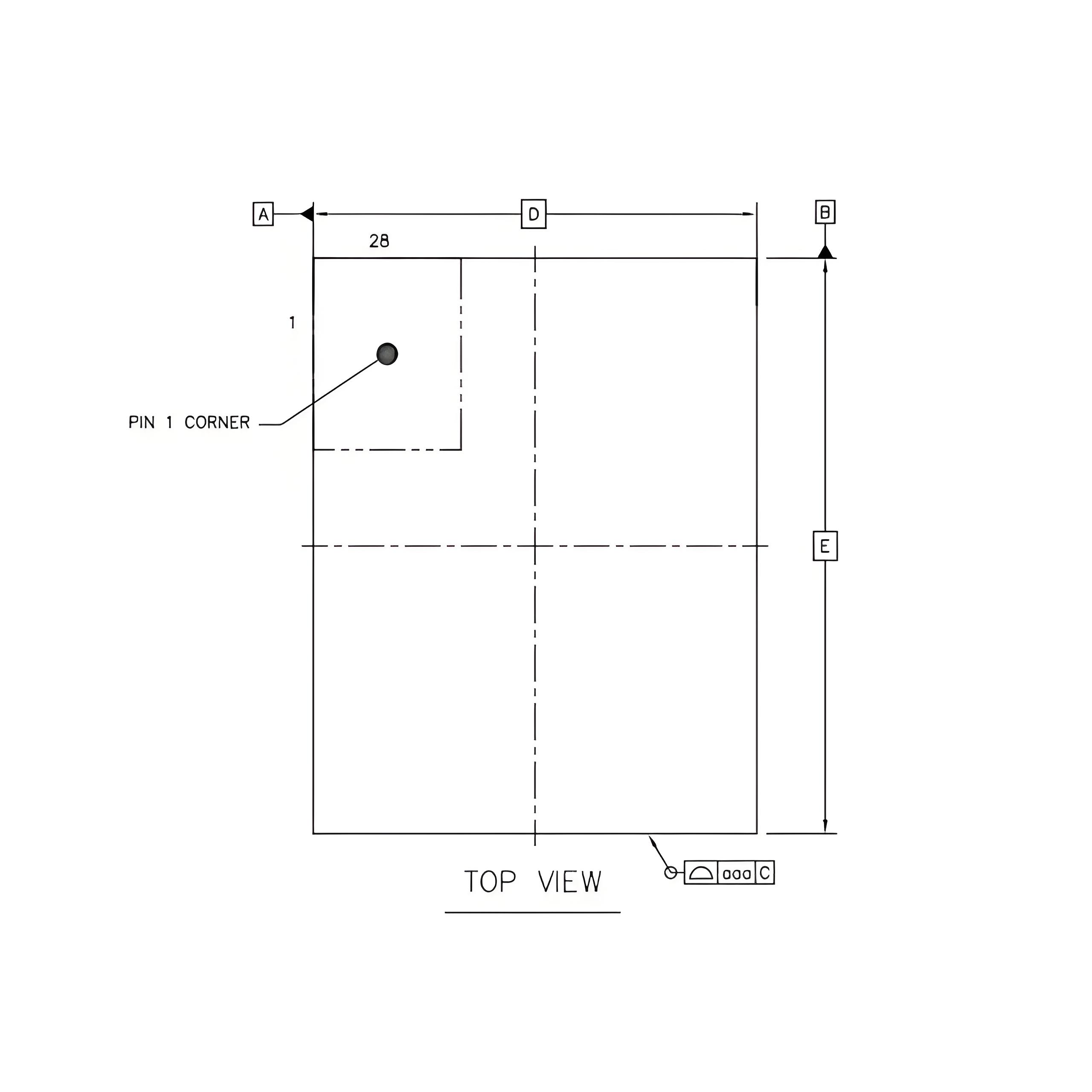
- 耐高溫后能做好型圓形28引腳4mm × 5mm QFN封裝
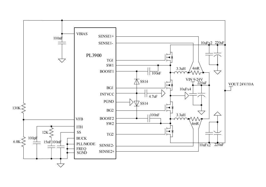
2、進行人生道理圖:
3、有機物描寫出
PL3900是一個款高身體機能多相單輸入同歩降血壓/升壓吃妻上癮器,也可以即便異相驅動下載兩N溝道效率MOSFET級。多相使用縮減了對輸入和輸入電阻器的需要,并可證合理采取比三相變頻器等效電傳紅外感應器更小的電傳紅外感應器。同歩整流努力了效益,增漲了效率消費,并減少了熱ajax請求,進而完整高效率升壓合理采取。 4.5V至56V(升壓方法)和4.5V至96V(減壓方法)工作傳輸供電范圍包擴了各種各樣保障體系體系結構和蓄電池物理化學。當由裝換器工作傳輸或剩下的可以幫助供電偏壓時,PL3900要在通電后以低至2.5V的工作傳輸供電釣魚成就。釣魚成就頻度要裝置為50kHz到900kHz的范圍,或合理利用異常PLL與異常數字時鐘發送到。多相調控批準PL3900裝置史詩裝備擺飾為2相、3相、4相、6相和12相釣魚成就。SS引腳在通電今天晉職工作傳輸電壓電流。PLLIN/MODE引腳在輕環境下下挑突發性方法調控、脈沖激光繞過方法或迫使連續方法。
4、榜樣運用處景
- 得花類電子無線
- 大電率響動結果
- 房產
- 醫遼
5、打包封裝內容
6、管腳界說和保健作用描寫出
管腳營養價值描寫出
序號 | 稱號 | 描寫 |
---|---|---|
1 | FREQ | 外部VCO的頻次節制引腳。將引腳毗連到SGND會使VCO強迫到達牢固的低頻350kHz。將引腳毗連到INTVCC會使VCO強迫到達牢固的高頻535kHz。頻次能夠經由過程將電阻器從FREQ引腳毗連到SGND來編程,規模為50kHz到900kHz。 |
2 | PHASMD | 該引腳能夠浮動、毗連到SGND或毗連到INTVCC,以編程BG1和BG2的回升沿之間的相位干系,和BG1和CLKOUT之間的相位干系。 |
3 | CLKOUT | 用于在多相體系中以菊花鏈體例毗連多個PL3900芯片的數字輸出。PHASMD引腳電壓節制BG1和CLKOUT之間的干系。此引腳在SGND和INTVCC之間擺動。 |
4 |
PLLIN /MODE |
運轉節制輸出。此引腳低于1V將封閉全部PL3900,毗連到VIN的外部電阻分壓器能夠設置轉換器操縱的閾值。 |
5 | SGND | 旌旗燈號地。一切小旌旗燈號元件和彌補元件都應毗連到該接地,而該接地又在單個點毗連到 PGND。 |
6 | RUN | 運轉節制輸出。將此引腳強迫低于1V將封閉全部PL3900,毗連到VIN的外部電阻分壓器能夠設置轉換器操縱的閾值。 |
7 | SS | 輸出軟啟動輸出。該引腳的接地電容器設置啟動時代輸出電壓的斜坡速度。 |
8 | SENSE2– | 負電流檢測比擬器輸出。 |
9 | SENSE2+ | 正電流傳感比擬器輸出。該引腳還為電流比擬器供電。SENSE+和SENSE–引腳上的共模電壓規模為2.5V至56V(相對最大值60V)。 |
10 | VFB | 偏差縮小器反應輸出。該引腳從毗連在輸出真個外部電阻分壓器領受長途感到反應電壓。 |
11 | ITH | 電流節制閾值和偏差縮小器彌補點。這個引腳上的電壓設置電流跳閘閾值。 |
12 | BUCK | 此引腳毗連到接地或浮空以將 PL3900 設置為升壓形式。此引腳毗連 INTVCC 引腳以將 PL3900 設置為降壓形式。 |
13 | SW2 | 開關節點。毗連到同步N溝道MOSFET的源極、主N溝道MOSFET的漏極和電感。 |
14 | TG2 | 高側驅動。毗連到同步 N 溝道 MOSFET 的柵極。 |
15 | BOOST2 | 用于同步N通道MOSFET的浮動電源,經由過程電容器旁路到SW,并經由過程毗連到INTVCC的肖特基二極管供電。 |
16 | BG2 | 低側驅動。毗連到主 N 溝道 MOSFET 的柵極。 |
17 | INTVCC | 外部5.4V LDO輸出。用于節制電路和柵極驅動器的電源。該引腳與GND去耦,接納一個最小4.7μF 的低ESR陶瓷電容器。 |
18 | EXTVCC | 外部電源輸出。當該引腳介于4.8V和30V之間時,外部開關繞過外部穩壓器,間接從EXTVCC向INTVCC供電。不要使此引腳浮動。不利用時可接地。 |
19 | PGND | 電源地。 |
20 | VBIAS | 主電源引腳。它凡是毗連到輸出電源VIN或升壓轉換器的輸出。此引腳與旌旗燈號接地引腳之間應毗連旁路電容器。該引腳的任務電壓規模為4.5V到 6V(相對最大值100V)。 |
21 | BG1 | 低側驅動。毗連到主 N 溝道 MOSFET 的柵極。 |
22 | BOOST1 | 用于同步N通道MOSFET的浮動電源,經由過程電容器旁路到SW,并用毗連到INTVCC的肖特基二極管供電。 |
23 | TG1 | 高側驅動。毗連到同步 N 溝道 MOSFET 的柵極。 |
24 | SW1 | 開關節點。毗連到同步N溝道MOSFET的源極、主N溝道MOSFET的漏極和電感。 |
25 | PGOOD | 電源杰出唆使器。開漏邏輯輸出,當輸出電壓與穩壓輸出電壓相差跨越±10%時,該輸出被拉至地。為防止誤跳閘,在激活此輸出之前,輸出電壓必須在規模以外25μs。 |
26 | ILIM | 電流比擬器感到電壓規模設置。該引腳用于設置電流比擬器中的峰值電流檢測電壓。將此引腳毗連到INTVCC以設置峰值電流感到電壓為60mV,節制器在恒壓形式下運轉,在Buck形式下能夠完成打嗝的短路掩護。經由過程電阻器將此引腳毗連到SGND,以設置電流感到電壓規模,節制器在恒定形式下運轉電壓和恒流形式。 |
27 | SENSE1+ | 正電流傳感比擬器輸出。該引腳還為電流比擬器供電。SENSE+和SENSE–引腳的共模電壓規模為2.5V至56V(相對最大值60V)。 |
28 | SENSE1– | 負電流檢測比擬器輸出。 |
29 | GND | 封裝的外露焊盤。焊接到地并毗連到一個大的銅立體以削減熱阻。 |
二、一技之長文本
范例 | 標題 | 上傳時候 | 文檔下載 |
代謝物金橋銅業跨接線的截面積大小書(英文版) | PL3900_Datasheet_en_R1.0 | 2025/07/10 | PDF下載 |
三、利用年度計劃
序號 | 標題 |
1 |
電摩托車車充30-65W 同享A+C計劃
|
2 |
車載電子計劃
|
3 |
新動力BMS計劃
|